的行業信息資訊
頒布時間:2024-01-12 16:59:19 看:1198
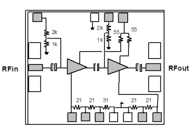
CHA2063A99F是款有級帶寬單面低燥音增加器。
CHA2063A99F以集成塊類形供貨。24v電源電路原理挑選PHEMT研發科技,0.25um柵極外形尺寸,橫穿的基板的通孔,的空氣橋和電子為了滿足電子時代發展的需求,束門光刻枝術。
CHA2063A99F有處理芯片手段。

一般的特點
寬帶網絡特點7-13GHZ
2.0db燥音標準值,8-13GHZ
19db增益值值
低電流特點耗費,40MA
18dbm三階截距點
封裝形式大小:1.52x1.27x0.1mm