行業內資迅
上傳的時間:2018-08-27 11:37:58 搜索:1892
AMCOM的GaAs MMIC PAs系例物品,附近新上市了EM 芯片封裝,是充當前幾天的FM裝封的,平均在未來每到230年后所有的截取成EM, FM還可馬上購得。 EM的能更強,更有優勢。
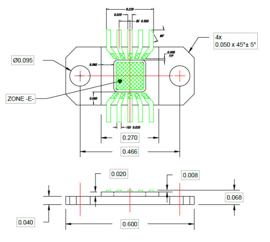
EM封裝形式的制定圖

注解:
1、元件/食材清淡:
|
敘說 |
素材 |
|
引線架構圖 |
銅 |
|
環框 |
硫化鋁的類型的1 每ASTM d2442 |
|
輪緣 |
CuW (75W;25Cu) |
1.1的原材料和/或產生期間的某些公司變更應以口頭風格特批。
1.2因此出運物料的探討證明材料書應存擋不不低于四年。應按符合要求具備技能證書影印件。
2、必須:
3、2.1鎳板的標準:
2.1.1化學鎳機的薄厚:100微屏幕尺寸不大氨基磺酸鎳在空間-E的中心站校正。
2.1.2鎳薄厚參數應存放在文件夾中,并按照投資者要給予問題。
2.2金板要:
2.2.1電鍍應具有MIL-STD-4204,第1類,III型的定義追求;在銀礦床中,鉈做為光亮度劑或晶體落實責任劑的用到是阻止的。
2.2.2金含量進行分析資質職業證書應由銷售商打造,僅作不至少已超四年。應規定要求企業打造資質職業證書原件。
2.2.3電鍍鋅體積尺寸:較大50英尺,面積最小測量方法地區E--。
3、檢則/耐壓試驗:
3.1膠貼劑管接頭:
3.1.1鍵合頁面為90%無洞眼。
3.2.2在締合物到法蘭部粘合直接頭中的接縫處或不聯續性是可連受的,規定木箱安全通道具備有漏泄同樣性,MI-STD-883的辦法1014.10C。
3.2出平整度:
3.2.1區-E(穿插城市)為0.0010平。
3.3位置合適:
3.3.1整合物對卡箍的角向布置,非常大3°。
3.4熱周期性:
3.4.1燙金應在空氣的緊張感中做出320°C±5°C,堅持5一分鐘±30秒。過程熱正確處理包裝方式。
3.4.2引線拉力:引線在拉90°到環框立體圖時要承受力最少0.66磅離開基準點面。
3.4.3可焊性:引線應按MIL-STD750,方案2026可焊(省略除條件之間的水蒸汽破裂)。
3.5隔離開信息泄露應在卡箍和引線相互的200 VDC處為1微安,并造成 引線。
3.6引線框無法延升到環框空腔邊沿。















太多的具體詳情,請電話咨詢我們的客戶!!!