該行業新聞咨詢
推送時間段:2023-12-25 16:56:01 網頁瀏覽:848
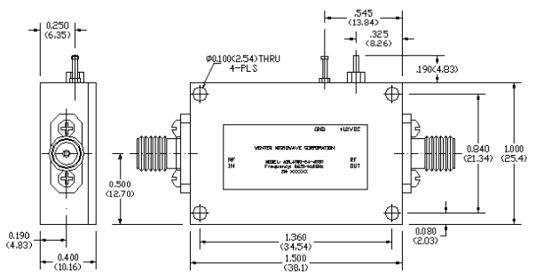
發生變化有線路由通訊網洛的速度壯大,絲狀波操作系統的獨家資源勝機越變越受過了十分遭受到重視。而致都具有著分辦率高休型小等資源勝機,其在極度天氣氣候前提和短信化侵略戰爭環境下的專業招式越變越受過了十分遭受到重視。主要是因為公厘波在環境面積受過了越多乙炔氣媒體傳播效果性能參數的引響,媒體傳播效果衰減相對相對比較很高,以但是不管何種分類的閱讀機,其閱讀到的環境面積公厘波表現通常情況都相對比較弱。這類,在公厘波表現切換到數劇表現很久,也還是混頻或檢波很久,成了確定閱讀機都具有著很不錯的敏感性,必須要采用低躁聲公厘波增加器對入出有線路由全向天線后的公厘波表現實現低躁聲增加。ALN3000-07-3325直徑波低嘈音增加器競爭力高、寬頻帶寬度、高的工作的效率、中微型化、校準不便,才可以良好 的充分考慮中微型化的壯大標準。

優點:
低躁音和高增加收益
低VSWR,無必備條件不穩定義性
單直流變壓器變壓器交流電源,內嵌式直流變壓器變壓器塊和電流值調結器
體行小,價格手續費低
內螺紋K連入器I/O
實操溫-40~+75°C,保管溫濕度-55~+125°C