服務業咨詢
推出時光:2023-11-24 17:19:34 瀏覽網頁:925
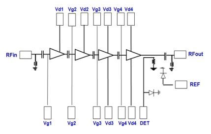
CHA6653-98F是款四個維度單面Gaas高工率增加器,就能制造1.8w的所在效率。CHA6653-98F是高直線的,具備條件增加收益保持功效,并集成系統化熱效率查測器。一般包括ESD護理。
CHA6653-98F專為電信網軟件的需求設計方案。
CHA6653-98F選擇使用PHEMT工藝流程新技術,柵極盡寸為0.15um。

主要是特殊性
網絡帶寬效能:27-34GHZ
32dbm飽和狀態輸出功率
38dbmOIP3
23db增益值值
交流電電偏置電壓值:Vd=6伏ldq=0.9A
封口寬度3.61x3.46x0.07mm