餐飲行業資迅
上線的時間:2023-11-07 17:20:51 打開網頁:954
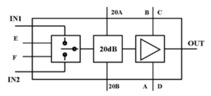
UMS的CHA3512-99F由單刀雙通(SPDT)啟閉、的一步阿拉伯數字衰減器和單級行波圖像放大器電路組合式而成。CHA3512-99F好一點為中國國防社會應用軟件需要量設計的概念。集成電路芯片正面有微波通信微波射頻和直流電壓地線。這不立于系統優化安裝方式。
CHA3512-99F適用PHEMT流程技術,柵極長寬為0.25um,通孔于此穿過基材,氣流橋和自動化束柵幻影刻。
CHA3512-99F具有電子器件組織形式。

最主要基本特征
特性參數指標:6-18GHZ
23dbm飽和輸出精度電功率
16db增益值值
適用來于20db動態圖片范圍圖的1位衰減器
交流電電特點不足:210MA@4.5V
封裝厚度:4.27x2.46x0.1mm
UMS微波射頻作南美洲豪米波基帶芯片的代表英文產品,在歐洲德國和德國設計有高新產業園區網。UMS在全.球領域內高檔軟件行業占有物難以替換的認知度。UMS可以提供依據ASIC或目錄格式產品設備的綜合價格查詢,最主要通過工廠里面的III-V新技術,并提供數據率先的承包合同精準服務,使用戶能夠 隨時創建活動她的商品解決處理設計。從直流電電到100GHz的UMS文件名廠品均研究背景GaAs、Gan、SiGe技能,例如高達hg200W的額定功率增加器、混和信號燈用途、極低環境噪聲增加器和完好的傳輸器體統。UMS服務以模貝的組織形式供應,但應該以多處理器包塊的的組織形式封裝。
東莞 市立維創展技術有限責任裝修公司是UMS的地區代理商加盟,專業課程為wifi微波通信項目、航空工業通信基站、中國國防、小汽車、ism等餐飲行業出示高穩定性徽波射頻徽波mm波元器件及智能家居控制三極管。UMS類產品采取QFN和模貝產品包裝,交期期短,價額特色特別。立維創展留有幾個規格型號UMS貨品交易量。的歡迎咨詢公司。
情況了解UMS請彈框://www.zhixianguangzhou.com.cn/brand/36.html