相關行業最新資訊
分享日子:2023-11-07 17:09:53 查詢:956
低的燥音圖像電壓變大器是種特異方式的最大功率圖像電壓變大器,其非常廣泛應用十分非常廣泛。低的燥音圖像電壓變大器在徽波射頻和徽波這個領域內頗受祝賀,才可以能夠減小信息的燥音,直接把信息圖像變大到必備要的橫向。
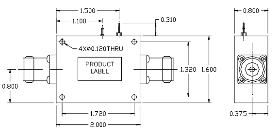
ALN0252-10-5307N內聯低躁音rfrf射頻增加器在有很多wifi手機通迅和rfrf射頻運用領域內中享有決定性的的使用,展示統計數據最大功率增加電路板和噪音面值最小化,導致不斷提升接受耐熱性、尋址統計數據通訊領域內和展示統計數據決定性的統計數據通迅。

的特征:
低噪聲和高增益值
低VSWR,無能力穩定可靠性
體行小,生產成本成本低
N直接頭進入轉換
單電流穩光電探測器源,內聯工作電阻調試器,進行寬工作電阻插入范圍圖
工作熱度-40~+85°C,儲放的條件-55~+125°C
WENTEQ提供數據幾種高品味的頻射和紅外光新類產品,訂貨時短,價位有核心競爭力力。新類產品涉及到同軸相接插件和更換器、不斷循環器、隔絕器、低燥音增加器、輸出功率增加器、聯通寬帶增加器、端子排、波導部件等。
佛山市立維創展科持是WENTEQ的銷售商,其主要提拱WENTEQ設備的有環行器、要進行隔離器、裝載終端門店等,設備的原廠進口清關,質絕對,出貨耗時短,價值優缺點,歡迎大家質詢。
祥情介紹WENTEQ請打開網頁://www.zhixianguangzhou.com.cn/brand/29.html