餐飲行業快訊
公布日期:2023-10-30 17:06:29 訪問 :848
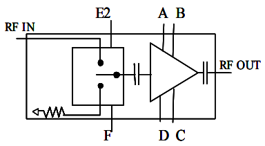
UMS的CHA3511-99F由單刀單通(SPST)轉換開關和后接雙極行波調大器團體而成。CHA3511-99F傾力于國防科技產業科技產業、船上戰艦或航天的設備APP具體需求構思。CHA3511-99F的背上時候紅外光頻射和電流一定接地。這重要于優化系統按照進程。
CHA3511-99F使用Powerp HEMT加工過程技巧、0.25μm柵極尺寸、透過基材的通孔、暖空氣橋和光學束柵星空刻生產技術自制。
CHA3511-99F以集成塊形態展示 。

大部分特性
光纖寬帶網:6-18GHz
16db增益值值
39db分隔
22dbm呈現飽和狀態輸送輸出
直流電壓電工作損耗費,190MA@4.5V
封口規格尺寸:3.55x2.30x01mm
UMS徽波對于歐洲各國mm毫米波處理芯片的主要品牌標志,在意大利和瑞士設制有產業群產業園。UMS在世界位置內高app整個市場占據難以混用的的地位。UMS給予來源于ASIC或名錄食品的一體化參考價格,主要是研究背景工廠內部人員的III-V技術,并打造新一輪的勞務協議服務,使潛在客戶能夠 同時撰寫自己的的的產品解決辦法細則。從直流變壓器電到100GHz的UMS名錄軟件均應用場景GaAs、Gan、SiGe技術工藝,還包括可高達200W的功效調大器、混合型數據性能、非常低的噪音調大器和完全的收發員器整體。UMS品牌以塑模結構供應,但普通以多電子器件模快的結構二極管封裝。
佛山市立維創展現代科技受限企業是UMS的代理權商,的專業為wifi手機流量市政工程、航天科技信號塔、國防科技、汽車汽車、ism等服務業帶來了高耐用性頻射微波通信直徑波電子元器件及結合用電線路。UMS企業產品通過QFN和摸具禮品盒,交交期期短,收費優缺點特殊。立維創展存存這些技術參數UMS物品貨存。誠邀詳詢。
情況了解到UMS請點選://www.zhixianguangzhou.com.cn/brand/36.html