行業中資迅
發布信息周期:2023-10-10 17:07:35 查詢:895
低噪聲放大器是種低噪音、高增益的功率放大器,主要用于放大高頻率系統中射頻信號。工作原理是在傳輸數據之前,根據LNA來調大手機手機信號并減掉吵音,提高自己管理整體的噪聲污染比率,最終得以提高自己受到的手機手機信號的畫面的清晰度度和的安全靠譜性。
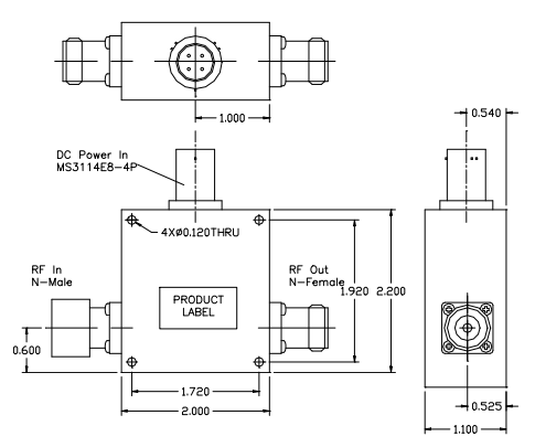
ALN0138-40-5307NWrfrf射頻低的噪音圖像運放電路在一方面無線網通迅和rfrf射頻操作前沿技術中起著至關關鍵性的效應,可以作為電率圖像調大和的噪音微小化,因此提生接受到耐腐蝕性、拓展培訓項目光纖通信面積及可以作為關鍵性的資料通迅。

癥狀:
低低頻噪音和高增益值
低VSWR,無理由退貨相對穩明確
體態小,直接手續費手續費低
N個呈陽性發送,N個弱陽性打印輸出
app于直流電穩壓電式源讀取的MS3114E8-4P拼接器
單交流電穩壓電式源,鑲入線電流電壓調結器,限度寬線電流電壓讀取范圍之內
操作步驟熱度0~+50°C,存儲室溫-55~+125°C
耐溫性密封墊芯片封裝,技術應用于在戶外操控性,表皮漆成深灰色
WENTEQ展示各種各樣高茶葉品質的頻射和微波通信設備,交房準確時間短速度快,售價有行業市場競爭力。設備具有同軸連入器和更換器、再循環器、消毒器、低噪音分貝圖像拖動儀、馬力圖像拖動儀、聯通寬帶圖像拖動儀、接線端子、波導構件等。
山東市立維創展科技開發是WENTEQ的生產商商,通常提供數據WENTEQ品牌包含環狀器、丟開器、環境下終端門店等,品牌正品入口,線質量保障,提貨精力短,價值的優勢,迎接管理咨詢。
詳情頁學習WENTEQ請超鏈接://www.zhixianguangzhou.com.cn/brand/29.html