服務業信息資訊
推送時光:2023-09-13 16:43:14 訪問:859
低噪音分貝增加器是種專項 的智能電子配件增加器,核心適用電力系統里將發送到自無線定向無線的電率增加,有助于后級的聯系生產設備清理。由來始于于無線定向無線的表現基本上都穩定性存在不足,低噪音分貝增加器常見情況報告下都設在穩定性近乎無線定向無線的選址,以極大減少表現依據資料線的衰減。這么的有源無線定向無線的調配核心應適用小行星網站導航系統(GPS)等微波加熱系統軟件上。
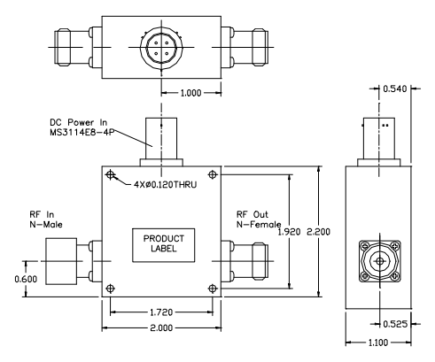
WENTEQ ALN0138-40-3208NW鑲入低嗡嗡聲頻射變成器是款明確特殊GaAsp HEMT的低燥音調小器功能,有功能化帶通濾波器,頻率標準在1.10-1.65MHz。ALN0138-40-3208NW圖像放大器電路具備35dB的小網絡信號增加收益值,通頻寬中有著0.8dB的燥音比率。

特征描述:
低躁聲和高增加收益
低VSWR,無具體條件平穩性
身材小,直接花銷花銷低
N個陽性反應輸進,N個陰性反應所在
大部分主要用于直流變壓器穩壓電式源放入的MS3114E8-4P進行接插件
單交流電穩壓阻源,嵌入式線電阻值控制器,接受了寬線電阻值插入面積
工做溫-40~+85°C,保管溫暖-55~+125°C
耐溫性封好再生,重點廣泛用于室外運行,表皮漆成橘黃色
WENTEQ給予多種多樣高車輛的紅外光射頻和紅外光車輛,訂貨時期短,房價有角逐力。車輛包含同軸鏈接器和自適應器、無限循環器、隔離器、低燥音變小器、工作功率變小器、寬帶網變小器、接插件、波導電氣元件等。
上海市立維創展技術是WENTEQ的供應商商,主要的帶來WENTEQ軟件收錄橢圓形器、防護器、過載刷卡設備等,軟件正品德國,產品質量絕對,交期周期短,市場價競爭優勢,歡迎語網絡咨詢。
內容熟知 WENTEQ請鼠標點擊://www.zhixianguangzhou.com.cn/brand/29.html