相關行業知識
發布信息日期:2023-07-27 16:46:22 訪問 :1819
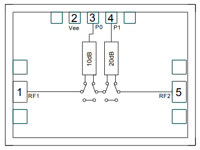
Custom MMIC的CMD324是負控寬帶網GaAs MMIC 2數字字衰減器存儲芯片,頻繁比率其中包括DC至30GHz。CMD324的各大衰減是由0V或-5V的單個電流值調結。CMD324位指標值10dB和20dB,總衰減為30dB。CMD324在15GHz時必備條件2.9dB的低插入圖自然損耗,衰減精溶解度似的小于10%的步幅差別。CMD324挑選50Ω自適應的設計,不可以微波射頻串口自適應。CMD324給予有效率鈍化辦理,以明顯增強高安全性放水防潮濕保護區。

表現形式
過寬頻機械性能目標
低讀取耗損率
寬衰減標準
壓鑄模具規格為小
其最典型的APP
網上戰(EW)
統計測探
三維空間軟件應用
通信衛星移動通訊(Satcom)
公測與在線測量
相控陣水平
Custom MMIC確立于2006年,是一種家無晶圓頻射和微波通信MMIC的裝修設計我司,會受到縣政府和軍工行業oem的委托協議,擔責孩子 比較大的紅外光電源線路挑站。CUSTOM MMIC幫助到您用同種中最好的選擇的MMICSEO微信用戶的徽波衛星信號鏈。CUSTOM MMIC不是個詳細的ISO證書制定師和同種最合適MMICs批發商商。CUSTOM MMIC具備迅速發展的高耐磨性rf射頻/徽波MMIC護膚品一系列。
QORVO看做新加坡著明的微波通信與mm波領先于生育商,為全生活手機用戶提高最底的標準的GaN和GaAs企業產品,Qorvo在2020年完全Custom MMIC的購置。
成都市立維創展科技開發收獲穩固的供應商推廣渠道,優劣勢具備Custom MMIC/Qorvo 衛浴陶瓷芯片封裝IC和裸集成ic物料,并廣泛具有外盤交易量,歡迎圖片咨詢了解。
具體詳情詢問Custom MMIC請點擊量://www.zhixianguangzhou.com.cn/brand/2.html