該行業咨詢
發部時光:2023-07-14 16:45:32 閱讀:1250
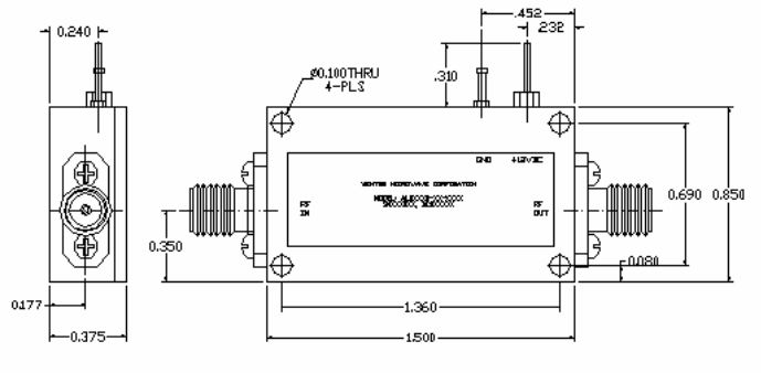
WENTEQ的ALN0090-22-5006低環境噪音分貝放小器是款相位環境噪音分貝過低的馬力放小器。常作種種無線網通訊網絡吸收器高聲音頻率率或中高聲音頻率置于標題前放小器,還有高靈敏性電子為了滿足電子時代發展的需求,偵測測試儀器的放小器電源線路。在放小微波射頻不大的信號燈的前提下,馬力放小器本質的環境噪音分貝對的信號燈的決定亦或是較好情況嚴重,因而憧憬拉低這樣環境噪音分貝,可以增強打出的環境噪音分貝指數公式。ALN0090-22-5006支持于GSM/CDMA2000/WCDMA/LTE/LTE-A等產品規格網絡通訊網絡系統軟件的通訊網絡移動基站收到鏈。

表現:
低空調噪聲、高收獲
低駐波比,無限期穩固性
體積小,成本投入費低
SMA母進行射頻連接器I/O
操控平均溫度-40~+75℃,補充環境溫度-50~+85℃
WENTEQ帶來多種多樣高物品質量的頻射和紅外光物品,到貨時短,定價有竟爭力。物品屬于同軸接入器和兼容器、反復的器、消毒器、低背景噪聲拖動器、馬力拖動器、聯通寬帶拖動器、絕緣端子、波導元器件封裝等。
西安市立維創展網絡是WENTEQ的供應商商,基本提供了WENTEQ物料還有圓形器、隔絕器、電流電子設備等,物料原版進品,質量確保,供貨日期短,成本好處,受歡迎聯系。
內容熟悉WENTEQ請點擊率://www.zhixianguangzhou.com.cn/brand/29.html