互聯網行業分析新聞
發布公告時間間隔:2023-06-28 16:46:01 瀏覽記錄:1721
非常低低頻噪音放縮器是款低頻噪音指數公式非常低的放縮器電源線路。適用于各項類型wlan安全可靠吸收器高速度率或中高速度前面板放縮器,簡述高流暢微電子電子原件發現檢測儀器的效率放縮電源線路。在放縮低頻噪音表現各項類型的場所,低頻噪音放縮器電源線路本質上的低頻噪音對表現的關系也許是相當造成,所以也希望減輕廣泛性低頻噪音,因此增強輸出的的低頻噪音指數公式。
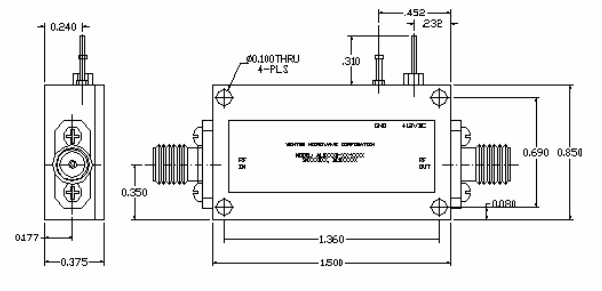
WENTEQ的ALN0025-40-3006非常低的躁聲增加器是超有成本價使用率的完成改善,最主要的廣泛用于需較低躁聲增加的技巧應用軟件。

表現形式:
低噪音、高增加收益
低駐波比,無環境不穩性
身型小,制造費費用的低
SMA母聯系器I/O
實際操作環境溫度-40~+75°C,貯存溫度-50~+85°C
WENTEQ展示多種高的品質的頻射和紅外光物品的,提貨時段短,市場價有競爭者力。物品的具有同軸進行電源連接器和支持器、配置器、防護器、低的噪音變小器、電率變小器、網絡帶寬變小器、接插件、波導pcb板等。
蘇州市立維創展自動化是WENTEQ的經售商,大部分展示WENTEQ的食品比如環型器、分隔器、負債數據終端等,的食品原裝機進口報關,的質量提高,收貨用時短,報價長處,青睞資訊。
信息熟悉WENTEQ請單擊://www.zhixianguangzhou.com.cn/brand/29.html