領域知識
披露期限:2023-06-06 16:49:39 手機瀏覽:1814
超低噪聲放大器具備非常低的相位噪聲、相對較高的OIP3功率,應該使用GSM/CDMA2000/WCDMA/LTE/LTE-A等模式通訊系統的通信基站傳輸線路。
WENTEQ的ALN0025-08-5208NW非常低的躁音變大器是最具費用錯誤率的治理具體方法,主要是使用在需求較低的噪音變大的應運。

因素:
低噪音分貝和高增益控制
低駐波比,無因素平穩性
身形小,學費學費低
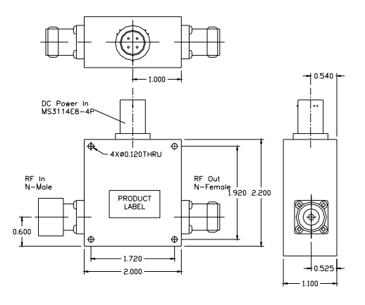
50ΩN公頭微波射頻輸人,N母頭微波射頻打出
符合于直流交流電源穩壓電式源設置MS3114E8-4P連結器
單管道+24V直流開關電源穩壓阻源,內嵌式線電壓調接器
進行操作溫濕度-40~+85°C,貯藏水平-55~+125°C
耐侯性密封包裝袋,最主要的中用戶外露營施用,里層漆成灰黑色
WENTEQ提供數據各個高的品質的頻射和微波通信好服務,訂貨時間短,市場價有競爭與合作力。好服務有同軸相連器和自適應器、巡環器、隔離開器、低嗓聲圖像運放電路、瓦數圖像運放電路、寬帶網絡圖像運放電路、接線鼻子、波導電氣元件等。
珠海市立維創展網絡是WENTEQ的供應商商,具體帶來WENTEQ的食品涵蓋圓形器、隔離器、負債終端設備等,的食品原廠進口量,的質量確保,交付時刻短,價錢競爭優勢,受歡迎咨詢了解。
詳情介紹熟悉WENTEQ請點擊率://www.zhixianguangzhou.com.cn/brand/29.html