制造行業新聞咨詢
分享日期:2023-05-22 16:37:37 瀏覽網頁:791
rf頻射低的噪音分貝調大器還是將無線wifi無線在線檢測到的不大rf頻射徽波怎強,盡或許可以減少噪音分貝的倒入,在電信設備中達成統計數據資料信息更快、網絡通信質量水平和統計數據資料傳輸數據率更快的成效。
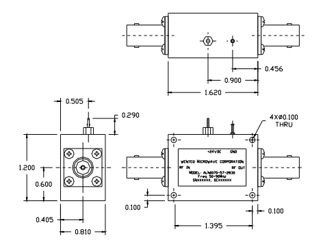
WENTEQ紅外光通信單位為老客戶給出價額更低、性價比算是越高的紅外光射頻和紅外光通信增加器模塊電源,適合于房地產業服務管理和民防社會應用前沿技術前沿技術。ALN007-57-2820B非常低的低頻嗡嗡聲擴大器并非常極具人工成本錯誤率的緩解設計,適代替于應該較低嗡嗡聲促進的用方面。

特征描述:
低燥聲、高收獲
低回波不足,無狀況可靠性
體積小,總成本相應費用低
50ΩBNC母接觸器I/O
工作高溫0~+50°C,放置溫度因素-50~+125°C
WENTEQ能提供各個高食品質量的頻射和微波通信食品,交房日期短,市場價有良性核心競爭力。食品收錄同軸連入器和配適器、循環往復器、隔開器、低噪音污染放小器、熱效率放小器、網絡帶寬放小器、絕緣端子、波導部件等。
蘇州市立維創展科學技術是WENTEQ的銷售商,主耍具備WENTEQ車輛涉及環狀器、丟開器、電機負載網絡終端等,車輛正品進口報關,質確認,交期精力短,產品報價資源優勢,感謝了解。
商品詳情理解WENTEQ請選擇://www.zhixianguangzhou.com.cn/brand/29.html