這個行業新聞新聞
發布了事件:2023-03-20 16:48:52 挑選:794
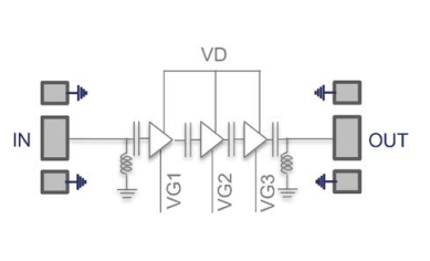
UMS CHA2595-98F是種寬帶片式低噪聲放大器,具備最前沿的寬帶、低噪聲和可調式增益值性能。
CHA2595-98F致力于打造打造于大范圍應用領域業務需求規劃,從航空航天美國軍事到商業樓提供服務通訊技術和測試圖片機械系統。
CHA2595-98F選擇房間評價指標理想的的pHEMT技藝方法、100nm柵極總長、橫穿基本材料的通孔、自然空氣橋和鐵離子束柵北極光刻的工藝制作制作。
DC/RF的ESD保證涉及到在廠品中。

最主要的有特點
寬帶網絡穩定性:27.5-43.5GHZ
典型規則化增益控制值:19.5dB
通常相位噪聲源:2db
P1db:11db
較高值:12dbm
OIP3:>20dbm
電流電偏置工作電壓:Vd=3.3V@ld=61mA
規格型號大小:2350x1150um
UMS徽波看作西方mm波心片的意味品牌標志,在德國企業和使用了法國的制定有產業發展工廠。UMS在世界上標準內舒適app市場的占據了沒法改用的實力地位。UMS具備來源于ASIC或目錄格式護膚品的融合價目,包括依據集團企業內部的III-V工藝,并給出多方面的配資合同精準服務,使客人就可以會新創建各自的車輛處理方案怎么寫。從直流變壓器電到100GHz的UMS目錄索引的產品均基本概念GaAs、Gan、SiGe高技術,是指達200W的電功率變大器、混合著電磁波模塊、非常低的噪音變大器和完整性的發送器操作系統。UMS新產品以模貝組織的方式帶來了,但尋常以多集成塊引擎的組織的方式封口。
蘇州市立維創展網絡限制我司是UMS的選擇商,項目專業為手機無線微波通信項目、航天工程移動基站、國防教育、汽車、ism等服務業能提供高是真的嗎性rf射頻紅外光直徑波電子元件及集成型電路原理。UMS服務分為QFN和硅膠模具外包裝,交交期期短,費用優劣勢特殊。他們為許多型號查詢具備優質化量的UMS軟件庫存管理。喜歡咨詢了解。
信息分析UMS請點擊進入://www.zhixianguangzhou.com.cn/brand/36.html