行業中資訊新聞
公布時段:2018-06-06 10:47:01 閱覽:8264
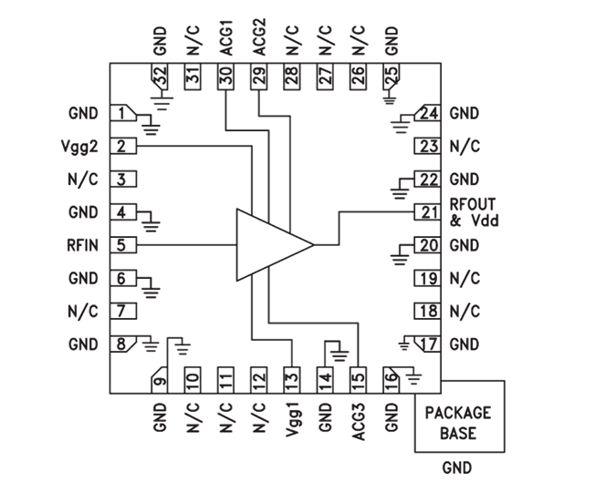
HMC797APM5E也是款GaAs MMIC pHEMT數據分散式效率變大器,做工作工作頻率區域內為DC至22 GHz。該變大器帶來13.5 dB增加收益值控制、39 dBm模擬輸出精度IP3和+28 dBm模擬輸出精度效率(1 dB增加收益值控制減小),輸出功率為400 mA(用+10 V電原)。該多作用PA在4至20 GHz區域內內體現了正增加收益值控制斜率,之所以如此時候EW、ECM、統計和測試英文機 應該用。HMC797APM5E變大器I/O內部的適應至50 Ω,簡單集成式到多集成ic包塊(MCM)中,用無引腳QFN 5×5 mm表貼封裝類型,不須表面適應電氣元件。
| 品牌 | 型號 | 描述 | 貨期 | 庫存 |
| ADI |
HMC797APM5E HMC797APM5ETR |
GaAs pHEMT MMIC 1 W功率放大器,DC - 22 GHz | 現貨 | 55 |
用途
HMC797APM5E優勢和特點
HMC797APM5E結構圖
