產業信息
推送時間:2018-06-06 10:29:37 查詢:2628
HMC907APM5E都是款GaAs MMIC pHEMT分布點式的工作效率圖像放縮器電路,的工作平率超超范圍為0.2 GHz至22 GHz。該自偏置的工作效率圖像放縮器電路供應14 dB收獲、+40 dBm模擬所在IP3和+28 dBm模擬所在的工作效率(1 dB收獲降低),工作頻率僅350 mA(通過+10 V電原)。HMC907APM5E在0.2 GHz至22 GHz超超范圍內供應±0.7 dB的出眾的收獲十分平整光滑度,而能至關比較合適EW、ECM、雷達探測和檢測的設備應用軟件。HMC907APM5E圖像放縮器電路I/O實物輸入至50 Ω,便捷融合到多處理芯片模塊電源(MCM)中,通過無引腳QFN 5x5 mm表貼二極管封裝,不可冗余輸入器件。
品牌
型號
描述
貨期
庫存
ADI
HMC907APM5E
HMC907APM5ETR
GaAs pHEMT MMIC功率放大器0.2 - 22 GHz
現貨
69
HMC907APM5E應用
HMC907APM5E優勢和特點
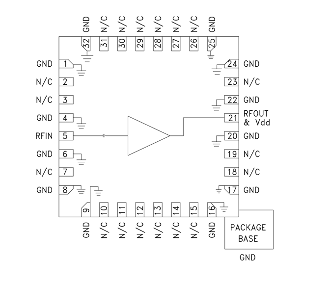
HMC907APM5E結構圖
