ADMV7710-SX/ADMV7710CHIPS整合化式 E 頻段砷化鎵 (GaAs)微波加熱單支整合化三極管 ADI現貨平臺
發布新聞的時間:2018-06-05 15:46:08 瀏覽網頁:7791
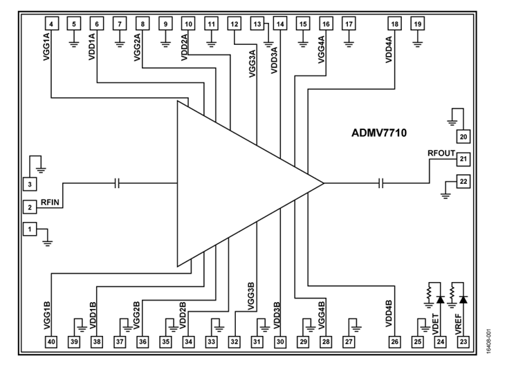
ADMV7710-SX/ADMV7710CHIPS 就是款融合式 E 頻段砷化鎵 (GaAs) 贗晶高電子廠遷址率遷移 (pHEMT)、微波通信設備單面融合電路設計 (MMIC)、中級電傳輸電壓拖動器,具備著片內室內操作溫度補償費電傳輸電壓檢查器,上班幾率位置為 71 GHz 到 76 GHz。ADMV7710 可開始 4 V 電源適配器出具 24 dB 的增加收益、28 dBm 的傳輸電壓(1 dB 減小)及 29 dBm 的飽和狀態傳輸電壓電傳輸電壓(20% 電傳輸電壓額外熱效率)。ADMV7710 展現出了優良的線性網絡度,有時候開始了效果SEO,很適當 E 頻段通信設備和高儲存量wifi手機返程wifi手機電設計。用拖動器分配和高增加收益,該電子元器件當上定向天線已經的最后的考試內容一級電磁波拖動的人生理想取舍。因此數據源均由每表層上一場根 3 mil 寬 × 0.5 mil 厚 × 7 mil 長的鍵合帶連結的基帶基帶芯片(應用于 50 Ω 測式固件內)開始數據采集。ADMV7710 以 40 焊盤裸片(基帶基帶芯片)的樣式出具,可在 ?55°C 到 +85°C 的室內操作溫度位置內上班。
|
品牌
|
型號
|
描述
|
貨期
|
庫存
|
|
ADI
|
ADMV7710-SX/ADMV7710CHIPS
|
具有功率檢測器的 71 GHz 到 76 GHz、1 W E 頻段功率放大器
|
現貨
|
56
|
ADMV7710-SX/ADMV7710CHIPS 使用
-
E 頻段通信系統
-
高容量無線回程無線電系統
-
測試和測量
ADMV7710-SX/ADMV7710CHIPS 結構圖

ADMV7710-SX/ADMV7710CHIPS 優勢和特點
-
增益:24 dB(典型值)
-
1 dB 壓縮的輸出功率:28 dBm(典型值)
-
飽和輸出功率:29 dBm(典型值)
-
輸出 3 階交調點:34 dBm(典型值)
-
輸入回波損耗:18 dB(典型值)
-
輸出回波損耗:10 dB(典型值)
-
直流電源:4 V,800 mA
-
無需外部匹配
-
裸片尺寸:2.999 mm × 3.999 mm × 0.05 mm