HMC547ALC3/HMC547ALC3TR公用型聯通寬帶高隔離防曬SPDT按鈕 ADI現貨黃金
發布信息耗時:2018-07-10 13:58:18 瀏覽記錄:7436
HMC547ALC3也是款萬能型光纖寬帶網絡高丟開非反射面GaAs MESFET SPDT啟閉,用于3x3 mm無引腳淘瓷表貼二極管封裝。該啟閉次數空間為DC至28.0 GHz,在中頻段時極具高過40 dB的丟開度和少于2 dB的加上損耗率。光纖寬帶網絡寬、盡快啟閉和主體工程型厚度使融合式SPDT比較適合軍工用EW/ECM和公測儀器應用領域。該啟閉用于-5/0V的互補性負把握電阻值邏輯關系路線圖運行,需偏置主機電源。若您有某些問題,請聯系起來他們立維創展,他們會盡較大 奮斗謝謝您管理。
|
品牌
|
型號
|
描述
|
貨期
|
庫存
|
|
ADI
|
HMC547ALC3
HMC547ALC3TR
|
GaAs MMIC SPDT非反射式開關,DC - 28.0 GHz
|
現貨
|
233
|
HMC547ALC3利用
-
光纖和寬帶通信
-
微波無線電和VSAT
-
軍用無線電、雷達和ECM
-
測試儀器儀表
HMC547ALC3優勢和特點
-
高隔離度:
45 dB (10 GHz)
39 dB (20 GHz)
-
低插入損耗:
1.9 dB (10 GHz)
2.2 dB (20 GHz)
-
快速開關:6 ns
-
非反射設計
-
16引腳3x3 mm SMT陶瓷封裝:9mm2
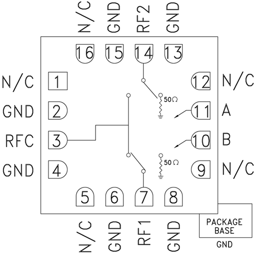
HMC547ALC3結構圖
