HMC265LM3/HMC265LM3TR點到點移動電下定頻器 ADI外盤
發布的時段:2018-07-06 15:50:11 挑選:1910
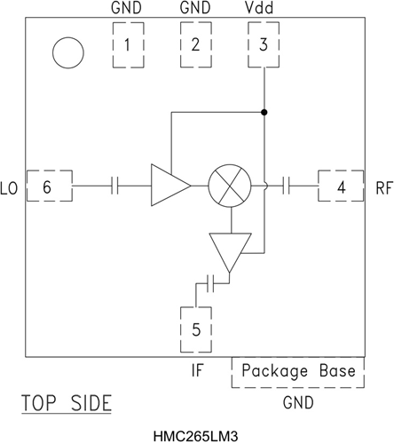
HMC265LM3就是一款一體化LO和IF放縮器的20 - 31 GHz表貼次諧波(x2) MMIC混頻器下變頻器,按照SMT無引腳電子元器件承載芯片封裝。 在28至47 dB時,2LO至RF和IF消毒穩定性不錯,無須更多濾波。 LO放縮器按照單偏置(+3V至+4V)雙極定制,僅需-4 dBm的驅程。 其他信息均完成安裝使用在50 ?測式沖壓模具中的非封好帶型、丙稀酸光敏樹脂封好帶LM3芯片封裝元器件收集。 立維創展HMC265LM3按照HMC265LM3即無須線焊,然后為雇主提供了保持一致的模塊。
|
品牌
|
型號
|
描述
|
貨期
|
庫存
|
|
ADI
|
HMC265LM3
HMC265LM3TR
|
次諧波混頻器,采用SMT封裝,20 - 31 GHz
|
現貨
|
123
|
HMC265LM3應用
-
20和31 GHz微波無線電
-
點對點無線電下變頻器
HMC265LM3優勢和特點
-
集成LO放大器: -4 dBm輸入
-
次諧波(x2) LO
-
高2LO/RF隔離: >28 dB
-
LM3 SMT封裝
HMC265LM3結構圖
