HMC338LC3B/HMC338LC3BTR軍用裝備集成型LO混頻器 ADI外盤
推送時:2018-07-06 15:36:46 閱覽:7357
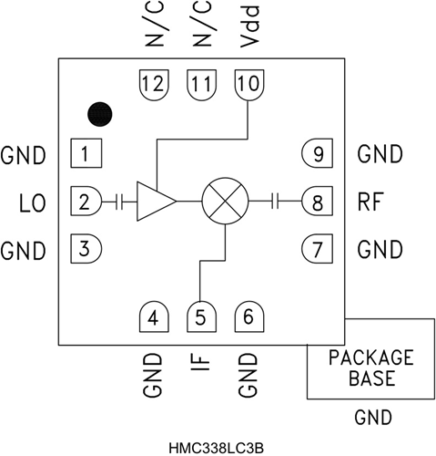
HMC338LC3B都是款融合LO變小器的24 - 34 GHz次諧波(x2) MMIC混頻器,采取滿足RoHS規范標準的無引腳SMT封裝類型。 在30 dB時,2LO至RF屏蔽功能出眾,需附加濾波。 LO變小器采取單偏置(+3V到+4V)設定,需-5 dBm的標稱驅動下載。 RF和LO服務器端口設置為隔直服務器端口設置并配比50 ?,運行便宜,同時IF的崗位規律范圍之內為DC至3 GHz。 HMC338LC3B需線焊,可運行表貼生產制造能力。
|
品牌
|
型號
|
描述
|
貨期
|
庫存
|
|
ADI
|
HMC338LC3B
HMC338LC3BTR
|
次諧波混頻器,采用SMT封裝,24 - 34 GHz
|
現貨
|
237
|
運用
-
點對點無線電
-
點對多點無線電和VSAT
-
測試設備和傳感器
-
軍用最終用途
-
SATCOM
HMC338LC3B優勢和特點
-
集成LO放大器: -5 dBm輸入
-
次諧波(x2) LO
-
DC - 3 GHz帶寬IF
-
符合RoHS標準的3x3 mm SMT封裝
-
單正電源: +4V (31mA)
HMC338LC3B結構圖
