HMC404/HMC404-SX集成化LO縮放器單片機芯片 ADI現貨平臺
頒布精力:2018-07-06 13:51:03 訪問 :2928
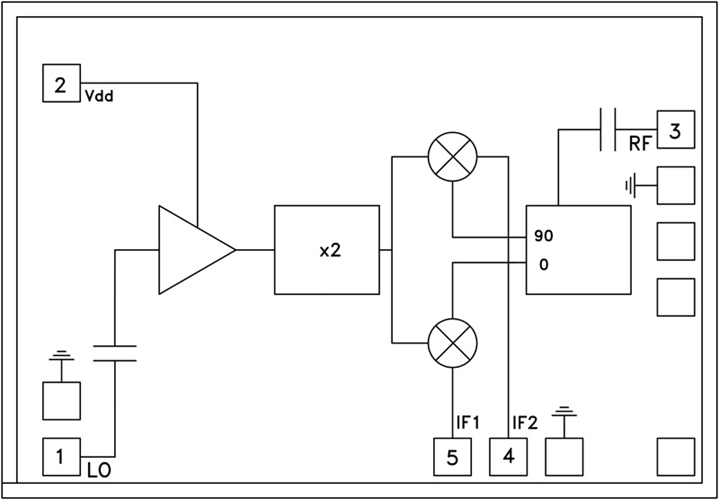
HMC404處理器是款集合LO變大器的次諧波(x2) MMIC系統鏡像文件遏制作用混頻器,能用的 作上交流變頻式器或下交流變頻式器。 該處理器通過GaAs PHEMT技術性,處理器總布局大小為2.31mm2。 片內90°混合型喂養元器展示 優秀的振動幅度和相位動態平衡耐熱性,系統鏡像文件遏制作用以上22 dB。 LO變大器應用單偏置(+4V)冷凝機組結構設計,僅需+2 dBm的標稱驅動下載。
|
品牌
|
型號
|
描述
|
貨期
|
庫存
|
|
ADI
|
HMC404
HMC404-SX
|
GaAs MMIC次諧波IRM混頻器芯片,26 - 33 GHz
|
現貨
|
238
|
HMC404應用
-
26至33 GHz微波無線電
-
針對點對點無線電應用的上下變頻器
HMC404優勢和特點
-
集成LO放大器: +2 dBm輸入
-
次諧波(x2) LO
-
鏡像抑制: 22 dB
-
小尺寸: 1.90 x 1.25 mm
HMC404結構圖
