HMC685LP4E/HMC685LP4ETR高動態展示超范圍集成化LO變小器 ADI外盤
發部時長:2018-07-05 11:41:27 查看:2117
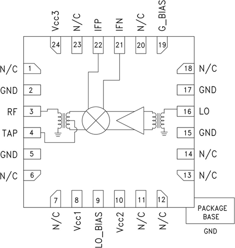
HMC685LP4(E)就是種款高信息范疇無源MMIC混頻器,集合LO放縮器,運用4x4 SMT QFN芯片封裝,運作頻繁為1.7 - 2.2 GHz。 LO動力為0 dBm時,3G和4G GSM/CDMA技術應用可不可以擁有+32 dBm的優秀發送IP3下定頻機械性能。 運用1 dB (+27 dBm)再壓縮時,RF表層支持系統各項發送數據信號電平。 換算消耗明顯數值為8 dB。 DC至500 MHz的IF頻繁回應就能夠考慮GSM/CDMA反射或傳輸頻繁規劃區的標準。 HMC685LP4(E)與HMC684LP4(E)引腳兼容,另外一個就是種款集合LO放縮器的700 - 1,000 MHz混頻器。
|
品牌
|
型號
|
描述
|
貨期
|
庫存
|
|
ADI
|
HMC685LP4E
HMC685LP4ETR
|
集成LO放大器的BiCMOS混頻器,1.7 - 2.2 GHz
|
現貨
|
158
|
HMC685LP4應用
-
蜂窩/3G和LTE/WiMAX/4G
-
基站和中繼器
-
GSM、CDMA和OFDM
-
發射機和接收機
HMC685LP4優勢和特點
-
高輸入IP3:+35 dBm
-
8 dB轉換損耗(0 dBm LO)
-
針對低端LO輸入優化
-
可調電源電流
-
上變頻和下變頻應用
-
24引腳4x4mm SMT封裝:16mm2
HMC685LP4結構圖
