HMC904LC5/HMC904LC5TR遠程電下直流軟啟動 ADI現貨交易進口加盟商
上線時長:2018-07-03 13:45:37 瀏覽訪問:2395
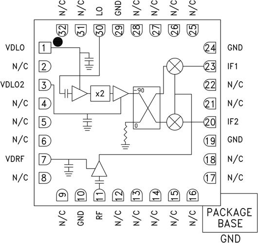
HMC904LC5是款狹窄型GaAs MMIC I/Q下直流變頻空調器,通過遵循RoHS規格的無引腳SMT裝封。 該元器作為12 dB的小表現準換增益控制、3 dB的噪聲污染指數,并在頻段比率內作為30 dB的鏡像軟件文件限制特點。 HMC904LC5通過LNA,后接由有源x2倍頻器動力的鏡像軟件文件限制混頻器。
該系統映射軟件減緩混頻器促使LNA然后就不需要食用濾波器,并可減少系統映射軟件概率下的熱噪音污染。 它兼具I和Q混頻器所在,必備 外部90°搭配型電子元元器用到首選必備邊帶。 HMC904LC5是搭配型系統映射軟件減緩混頻器下交流伺服驅動器引擎的大型代替品電子元元器,兼容表貼生產加工科技。
|
品牌
|
型號
|
描述
|
貨期
|
庫存
|
|
ADI
|
HMC904LC5
HMC904LC5TR
|
GaAs MMIC I/Q下變頻器,17 - 24 GHz
|
現貨
|
105
|
軟件
-
直連和點對多一點無限電
-
軍用裝備汽車雷達、EW和ELINT
HMC904LC5優勢和特點
-
轉換增益: 12 dB
-
鏡像抑制: 30 dB
-
2 LO至RF隔離: 45 dB
-
噪聲系數: 3 dB
-
輸入IP3: 0 dBm
-
32引腳5x5mm SMT封裝: 25mm2
HMC904LC5結構圖
