HMC1113LP5E/HMC1113LP5ETR表貼封裝形式緊湊型下直流變頻空調器 ADI外盤
發部時段:2018-07-03 10:16:58 網頁瀏覽:2468
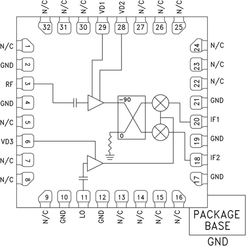
HMC1113LP5E是款主體工程型GaAs MMIC I/Q下定頻式器,首選無鉛5 x 5 mm低承載力鋅合金壓鑄金屬表貼封裝類型。 該器材出示12 dB的小的信號轉化增加收益、1.8 dB的的噪音指數公式和25 dBc的iso鏡像軟件系統軟件系統阻止特點。 HMC1113LP5E首選LNA,后接由LO保護器變小器驅動安裝的iso鏡像軟件系統軟件系統阻止混頻器。 該iso鏡像軟件系統軟件系統阻止混頻器因此LNA完后不用施用濾波器,并可避免iso鏡像軟件系統軟件系統頻次下的熱的噪音。 它具I/Q混頻器效果,所需要的要外鏈90°混和型器材中用首選所需要的要邊帶。 HMC1113LP5E為混和型iso鏡像軟件系統軟件系統阻止混頻器下定頻式器部件的中大型替換器材,它不用線焊,可能施用表貼營造枝術。
|
品牌
|
型號
|
描述
|
貨期
|
庫存
|
|
ADI
|
HMC1113LP5E
HMC1113LP5ETR
|
GaAs MMIC I/Q下變頻器,10 - 16 GHz
|
現貨
|
257
|
HMC1113LP5E用
-
點對點和點對多點無線電
-
軍用雷達、EW和ELINT
-
衛星通信
HMC1113LP5E優勢和特點
-
準換增益控制:12 dB
-
鏡像文件促使:25 dBc
-
LO至RF隔離開:45 dB
-
燥音數值:1.8 dB
-
IP3:1 dBm
-
32引腳5 x 5 mm SMT芯片封裝
HMC1113LP5E結構圖
