HMC1063LP3E/HMC1063LP3ETR緊身型I/Q MMIC混頻器 ADI期貨
發布信息的時間:2018-07-02 14:41:15 瀏覽網頁:1899
HMC1063LP3E一款密集型I/Q MMIC混頻器,通過“無鉛”SMT打包封裝,也會作鏡像系統軟件抑止混頻器或單側帶進去直流變頻式。 該混頻器通過的兩個原則Hittite雙平穩混頻器模塊和的180度相混元元電子器件封裝封裝,均通過GaAs Schottky二級管加工造成。 粉紅噪聲正交相混元元電子器件封裝封裝實用于有1,000 MHz LSB IF傷害。 該車輛為相混型鏡像系統軟件抑止混頻器和單側帶進去直流變頻式配置文件的中型用于元元電子器件封裝封裝。 HMC1063LP3E免線焊,會實用表貼造成技能。
|
品牌
|
型號
|
描述
|
貨期
|
庫存
|
|
ADI
|
HMC1063LP3E
HMC1063LP3ET
|
GaAs MMIC I/Q混頻器,24 - 28 GHz
|
現貨
|
259
|
HMC1063LP3E應用
-
點對點和點對多點無線電
-
軍用雷達、EW和ELINT
-
衛星通信
-
傳感器
HMC1063LP3E優勢和特點
-
低LO功率: 10 dBm
-
寬IF帶寬: DC - 3 GHz
-
鏡像抑制: 21 dBc
-
LO/RF隔離: 40 dB
-
高輸入IP3: 17 dBm
-
16引腳3x3 mm SMT封裝: 9 mm2
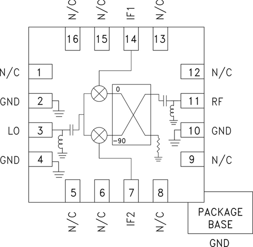
HMC1063LP3E結構圖
