HMC498LC4/HMC498LC4TR高日常動態范圍之內公率調小器 ADI期貨
更新期限:2018-06-29 13:47:59 訪問:2308
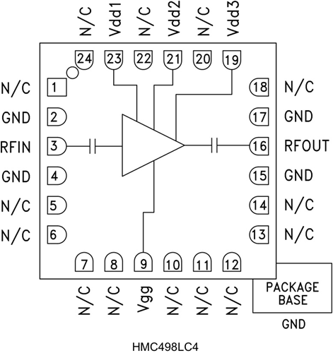
HMC498LC4有的是款高日常動態比率GaAs PHEMT MMIC高的英語耗油率放縮器,選取無引腳“無鉛”SMT封裝形式。 該放縮器具有著17至24 GHz的操作比率,提高22 dB增加收益、+26 dBm飽和狀態耗油率和23% PAE(+5V電源適配器額定電壓)。 HMC498LC4背景低頻噪音數值為4 dB,輸出精度IP3為+36 dBm(典范值),用于作低背景低頻噪音自動化測試同時帶動放縮器。 隔直RF I/O配比至50 Ω,適用不方便。 HMC498LC4必須線焊,還可以適用表貼制造出技術應用。
|
品牌
|
型號
|
描述
|
貨期
|
庫存
|
|
ADI
|
HMC498LC4
HMC498LC4TR
|
中等功率放大器,采用SMT封裝,17 - 24 GHz
|
現貨
|
269
|
HMC498LC4應用
-
點對點無線電
-
點對多點無線電和VSAT
-
測試設備和傳感器
-
軍用最終用途
HMC498LC4優勢和特點
-
輸出IP3: +36 dBm
-
飽和功率: +26 dBm (23% PAE)
-
增益: 22 dB
-
+5V(250 mA)電源
-
50 Ω匹配輸入/輸出
-
符合RoHS標準的4x4 mm SMT封裝
HMC498LC4結構圖
