HMC-APH596/HMC-APH596-SX有級GaAs HEMT MMIC高的英語效率調小器 ADI期貨
發布的時間段:2018-06-29 11:18:34 瀏覽器:1834
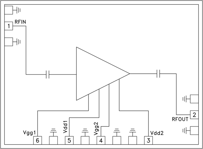
HMC-APH596就是一款兩極GaAs HEMT MMIC中檔功效放小器,事業次數標準為16至33 GHz。 HMC-APH596作為17 dB增加收益,按照+5V供電電壓值時存在+24 dBm轉換功效(1 dB降低)。 任何焊盤和IC芯片后邊都路過Ti/Au輕金屬化,放小器已徹底鈍化以保證可靠的進行。
HMCAPH596 GaAs HEMT MMIC中高工率增加器兼容過去的的集成ic貼裝方式,及其熱減小和熱彩超線焊接藝,很比較合適MCM和比調微線路適用。 此地表示的全部的數劇均是集成ic在50 Ω環境下的使用RF感應器接觸的面積測量。
|
品牌
|
型號
|
描述
|
貨期
|
庫存
|
|
ADI
|
HMC-APH596
HMC-APH596-SX
|
MMIC中等功率放大器,16至33 GHz
|
現貨
|
323
|
使用
HMC-APH596優勢和特點
-
輸出IP3: +33 dBm
-
P1dB: +24 dBm
-
增益: 17 dB
-
電源電壓: +5V
-
50 Ω匹配輸入/輸出
-
裸片尺寸:
2.55 x 1.87 x 0.1 mm
HMC-APH596結構圖
