企業知識
正式發布的時間:2019-12-23 14:15:24 觀看:2051
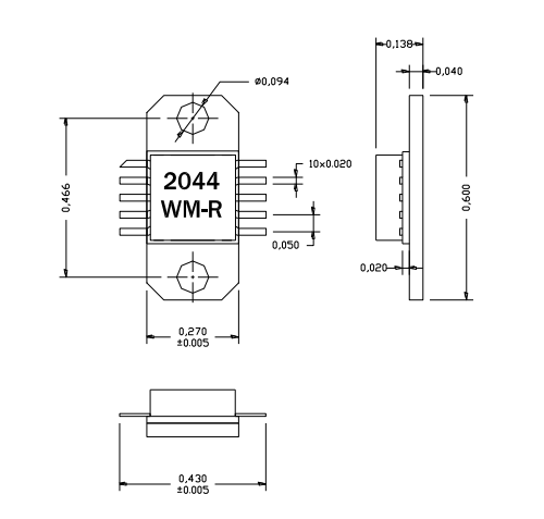
AM204437WM-EM-R是AMCOM的砷化鎵MMIC功率放大器系列的一部分。該拖動工器具有30分貝的增益和在2.2到4.2GHz頻帶上輸出37dBm的功率。該MMIC采用陶瓷封裝,射頻和直流引線均位于較低層次的封裝便于低成本的SMT組裝到PC板上。由于高直流功耗,我們強烈建議將這些設備直接安裝在金屬散熱器上。AM204437WM-FM-R是AM204437WM-BM-R安裝在鍍金銅法蘭托架上。EM包的占用空間與FM包相同直導線和銅/鎢法蘭代替銅法蘭。法蘭上有兩個螺孔以便于擰上金屬散熱器。這個MMIC是符合RoHS的。

AM204437WM-EM-R應該用
遠程智能互2.連接網絡連接
手機無線當地環路
正向無限電
AM204437WM-EM-R注重因素
幾率:2-4.4GHz
增益值:30
P1dB(DBM):36
PSAT(DBM):37
錯誤率:25
VD(V):8
佛山市立維創展新材料技術是AMCOM品牌總經銷商,其其主要微波加熱移動寬帶商品涉及rf射頻結晶體管、MMIC最大輸出調大器、混合著調大器模快、聯通寬帶調大器、高最大輸出調大器模快、帶RF和DC聯接器的高公率變大器方案和低燥音變大器,公率變大器,旋鈕,衰減器,移相器或是上/接下來調頻器的制定。