餐飲行業知識
發布新聞周期:2019-11-19 16:16:38 搜素:2116
ADI品牌的HMC系列功率放大器是國內外使用最多的一系列產品放大器,該放大器的適用頻率及應用范圍廣泛,一般都屬于高頻率放大器,但是頻率0.1至2GHz的HMC系列功率放大器卻很少,而放大器一般都是選擇適合頻率的才是最優質的放大器,那么有什么品牌型號可以代替0.1至2GHz寬帶放大器呢?

AMCOM總部是芬蘭有名氣大型廠,在西方地域口碑大受工業師喜歡,所以比起ADI項目就些許輸,AMCOM總部之前沿微波通信設計的概念企業理念,為亞洲加盟商給予工作效率結晶管、MMIC放縮器等電源芯片與引擎產品設備。從今天就來講述小巧玲瓏規律C中波段低噪音光纖寬帶瓦數拖動器
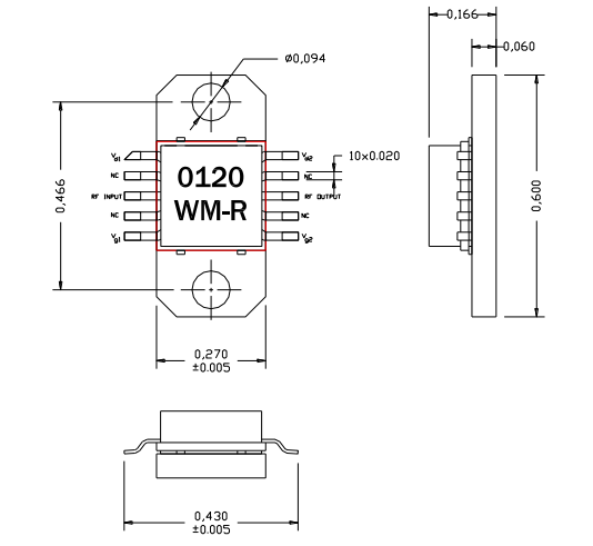
AM012020WM-EM-R是AMCOM該品牌的低背景噪聲聯通寬帶效率圖像放大器電路,該變小器具備著20dBm的供大于求傳輸輸出和30dB的高增益值,低噪音耐熱性具有著完成自動匹配的50歐姆輸人/效果輸出阻抗,該MMIC類屬瓷質封口,RF直流變壓器引線地屬打包封裝的較低層,容易將低價格的SMT主裝到PC板上
AM012020WM-EM-R低躁聲光纖寬帶電功率變成器可用途于儀容儀表、細胞核帶、雙軌移動電、網絡帶寬接受到器和Ck線VSAT
AM012020WM-EM-R決定性運作
頻次:0.1-2GHz
收獲:30
P1dB(DBM):16
PSAT(DBM):17
吸收率:8
VD(V):8
杭州市立維創展技術是AMCOM集團公司總微商代理,通常帶來了紅外光網絡帶寬服務主要包括頻射結晶管、MMIC耗油率增加器、比調增加器版塊、寬帶網增加器、高耗油率增加器版塊、帶RF和DC接連器的高電熱效率調小器功能和低嘈音調小器,電熱效率調小器,打開,衰減器,移相器、上/下部變頻式器的私人定制。