HMC465LP5/HMC465LP5E/HMC465LP5ETR布置式動力圖像放大電路 ADI外盤
上傳的時間:2018-06-26 14:34:00 閱覽:6841
HMC465LP5(E)是一種款GaAs MMIC PHEMT區域式win7能夠縮放器,用于5x5 mm無引腳表貼芯片封裝,在DC到20 GHz的概率標準內工做。 該縮放器展示15 dB增益值值、3 dB燥音公式,飽和點內容輸出輸出為+25 dBm,用于+8V電源開關時工作電壓僅為160 mA。 它具備著0.5 dB的精湛增益值值平整度,在DC至10 GHz的概率標準內與規則化相位的誤差值為± 4 度,這樣特質可使HMC465LP5(E)比較最合適OC192電信光纖LN/MZ調配器win7能夠縮放器各類測試設施應用。 HMC465LP5(E)縮放器I/O外部適應50 Ω。
|
品牌
|
型號
|
描述
|
貨期
|
庫存
|
|
ADI
|
HMC465LP5,HMC465LP5E
HMC465LP5ETR,HMC465LP5TR
|
寬帶驅動放大器,采用SMT封裝,DC - 20 GHz
|
現貨
|
203
|
HMC465LP5應用
-
OC192 LN/MZ調制器驅動器
-
微波無線電和VSAT
-
測試儀器儀表
-
軍用EW、ECM和C3I
HMC465LP5優勢和特點
-
增益: 15 dB
-
輸出電壓至10 Vp-p
-
飽和輸出功率: +24 dBm
-
電源電壓: +8V (160 mA)
-
50 Ω匹配輸入/輸出
-
32引腳5x5mm SMT封裝: 25mm2
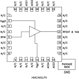
HMC465LP5結構圖
