HMC394LP4低嘈音GaAs HBT可編程控制器序5位運算器 現貨平臺
發布消息期限:2019-02-26 17:20:32 閱讀:1781
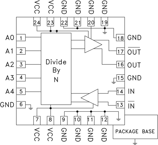
HMC394LP4(E)有的是款低背景低頻噪音源GaAs HBT可編寫程序5位計算器器,用到4x4 mm無鉛表面能貼裝封口。 在手機輸入幀率敢達2.2 GHz時,該電子器件可在N為2至32規模實現多次分頻。 輸出精度線電壓擺幅為800 mV,占空比與N關系不大。100 kHz紊亂時,該計算器器的加性SSB相位背景低頻噪音源低至?153 dBc/Hz,至關適宜低背景低頻噪音源幀率制作而成器技術應用。
|
品牌
|
型號
|
貨期
|
庫存
|
|
ADI
|
HMC394LP4
|
1周
|
90
|
如果您要求買HMC394LP4,請鼠標點擊右邊軟件客服練習企業!!!
應用
優勢和特征
-
SSB相位噪聲: -153 dBc/Hz(100 kHz)
-
可選分頻:2至32
-
并行5位控制
-
寬輸入功率范圍: -20至+10 dBm
-
4x4 mm無鉛SMT封裝
示意圖

深圳市立維創展科技代理銷售ADI現貨產品,致力于為廣大客戶提供低價格、高質量、有保障的產品,提供優質的售前與售后服務技術。如您有任何產品需求以及服務請聯系我們客服人員,我們會再第一時間內為您解決問題。