HMC468ALP3E帶寬3位GaAs IC自然數衰減器 現貨平臺
更新時間間隔:2019-02-26 14:04:23 瀏覽訪問:1626
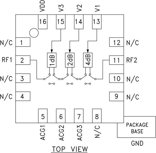
HMC468ALP3E是款寬帶網3位GaAs IC號碼衰減器,使用高收益預算無引腳面上貼裝打包封裝。 在DC到6.0 GHz頻率下崗位,放損耗量不超1 dB主要表現值,最好到達4 GHz。 衰減器位數值為1 (LSB)、2和4 dB,總衰減為7 dB。 衰減的精密度極其高,主要表現步長隨機誤差為±0.4 dB,IIP3為+55 dBm。 6個操控端電壓輸人在0和+5V中變換,適用于采用每一位衰減心態。 必須+5V的獨立Vdd偏置。
|
品牌
|
型號
|
貨期
|
庫存
|
|
ADI
|
HMC468ALP3E
|
1周
|
120
|
如若您需要購買HMC468ALP3E,請點擊右側客服聯系我們!!!
應用
-
蜂窩;UMTS/3G基礎設施
-
固定無線和WLL
-
微波無線電和VSAT
優越和特證
-
1 dB LSB步進至7 dB
-
高IP3: +55 dBm
-
誤碼率:±0.25 dB(典型值)
-
每位單個控制線路
-
+5V單電源
-
3x3 mm SMT封裝
圖示圖

深圳市立維創展科技代理銷售ADI現貨產品,致力于為廣大客戶提供低價格、高質量、有保障的產品,提供優質的售前與售后服務技術。如您有任何產品需求以及服務請聯系我們客服人員,我們會再第一時間內為您解決問題。