AD7980ARMZ法向齒換為器(ADC) 銷售商期貨
發布公告周期:2019-02-18 14:00:32 瀏覽網頁:1883
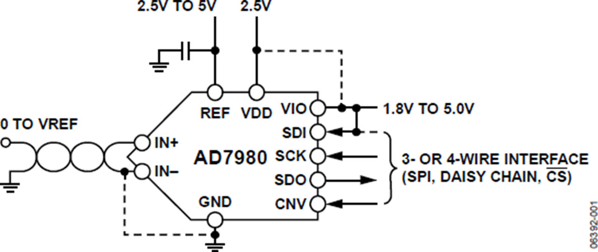
AD7980ARMZ有的是款16位、逐次突破型變位系數切換器(ADC),利用單24v供電(VDD)供電系統。它內部自帶其中的低功能消耗測試、高、16位取樣ADC和其中的多性能串行接口類型端口設置。在CNV回升沿,該功率器件對IN+與IN-范圍內內的模擬仿真鍵盤輸入交流額定直流電壓差做好取樣,范圍內從0 V至REF。基準點交流額定直流電壓(REF)由外界供給,并都可以自立于24v供電交流額定直流電壓(VDD)。功能消耗測試和吞吐效率呈直線轉化有關。
SPI兼容串行usb接口還可根據SDI搜索,將兩個ADC以金絲菊鏈方法連到到一點二線式數據總線上,并出示先選的煩忙指令。應用獨立空間交流電源VIO時,它與1.8V、2.5V、3V和5V形式邏輯兼容。
AD7980ARMZ適用10引腳MSOP芯片封口或10引腳QFN (LFCSP)芯片封口,做工作體溫範圍為?40°C至+125°C。
|
品牌
|
型號
|
貨期
|
庫存
|
|
ADI
|
AD7980ARMZ
|
1周
|
50
|
若是您應該購AD7980ARMZ,請點擊量右面售后客服聯系起來我們大家!!!
AD7980ARMZ用
AD7980ARMZ優勢和特點
-
16位分辨率、無失碼
-
呑吐速率:1 MSPS
-
低功耗
4 mW(1 MSPS,僅VDD)
7 mW(1 MSPS,總功耗)
70 μW (10 kSPS)
-
INL:典型值±0.6 LSB,最大值±1.25 LSB
-
信納比(SINAD):91.25 dB(10 kHz時)
-
THD:-110 dB(10 kHz時)
-
欲了解更多特性,請參考數據手冊
AD7980ARMZ大力支持防務和國際航空工程部app(AQEC標準化)
-
下載AD7980-EP數據手冊(pdf)
-
受控制造基線
-
唯一封裝/測試廠
-
唯一制造廠
-
增強型產品變更通知
-
認證數據可應要求提供
-
軍用溫度范圍(?55℃至+125℃)
-
V62/12640 DSCC圖紙號
AD7980ARMZ示意圖
