企業咨訊
推出時:2019-02-15 10:36:27 訪問 :1839
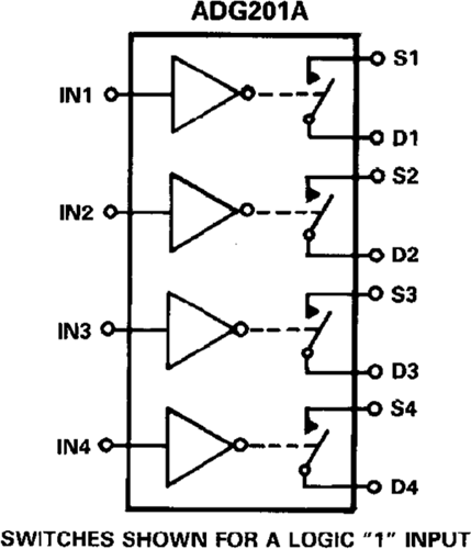
ADG201AKNZ/ADG201AKPZ是一個款單電子電子元件CMOS電子元件,嵌入三個經濟獨立可供選擇的控制開關。這句話按照改善型LC 2 MOS新工藝方案,可出示±15 V的更加高無線信號外理技能。這么多觸點控制開關還具備高觸點控制開關速度慢和低R ON。
ADG201A按鈕開關在相對應的的設定錄入上無法接通邏輯性低電平。當ON時,每面板啟閉在兩個人方往右導電安全性能不同,然后每面板啟閉都擁有延申到電壓的鍵盤輸入網絡信號空間。大部分轉換旋轉開關都具先開后合的轉換旋轉開關行為,可以使用于多路重復使用器APP。設計之前的是低帶電粒子引入,并能在設置成阿拉伯數字手機輸入時控制世界上最大瞬態。
如果您要購ADG201AKNZ,ADG201AKPZ,請點開左面客戶服務熱線電話聯系大家!!!
品牌
型號
貨期
庫存
ADI
ADG201AKNZ
ADG201AKPZ
1周
100
優劣勢和特性
ADG201A-EP支持軟件飲水機和中國航空航空材料使用(AQEC準則)
結構圖

深圳市立維創展科技代理銷售ADI現貨產品,致力于為廣大客戶提供低價格、高質量、有保障的產品,提供優質的售前與售后服務技術。如您有任何產品需求以及服務請聯系我們客服人員,我們會再第一時間內為您解決問題。