企業信息資訊
上線時間段:2019-02-14 10:45:43 閱覽:1720
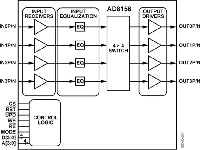
AD8156ABCZ類屬Xstream型號食品,也是款極速、徹底差成績排名字相交的情況點啟閉。該元件可能可作4 × 4相交的情況點啟閉,包括雙鎖存式文件存儲器,限制同一時間更新軟件;也可以可作雙節點2 × 2相交的情況點啟閉,并供應馬上輸送控制的功能。不但還包括低耗電因素;以3.3 V電壓供氣,而且所以輸送和輸出均衡性器均確保活動方案狀態下時,非常典型耗電為700 mW。它能以DC至6.25 Gbps(每表層)區域內的什么數據報告帶寬工作任務。
AD8156的每種放入安全通道均原機有一個可程序編寫放入平均器,用賠償標準背板數據信號損耗率。 AD8156的高速路填寫可兼容交流信息交叉耦合電路和直流電交叉耦合電路3.3 V、2.5 V或1.8 V CML,及3.3 V LVPECL數據資料電平。設定usb接口為LVTTL和LVCMOS兼容型(3.3 V)。因此簡化版規劃、盡也許增多阻抗篩選不篩選狀況,該元器還集變成每個需要的填寫和輸出電壓的端接阻值。填寫均衡教育器和不會的輸出電壓的能能簡單阻止,因此使功能損耗減至很低。 AD8156ABCZ選擇49引腳、8 mm × 8 mm、BGA二極管封裝,引腳邊距為1 mm;辦公溫標準為?40°C至85°C工業制造溫標準。
| 品牌 | 型號 | 貨期 | 庫存 |
| ADI | AD8156ABCZ | 1周 | 50 |
APP
AD8156ABCZ結構圖
