HMC487LP5E/HMC487LP5ETR分為SMT芯片封裝2瓦特電機功率變小器 ADI現貨交易
上架事件:2018-06-25 15:48:33 查詢:2521
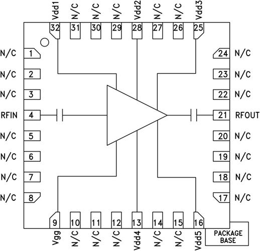
HMC487LP5(E)都是款高動向區域GaAs PHEMT MMIC 2瓦特最大額定功率圖像放縮儀,選取無引腳5x5 mm外面上貼裝二極管封裝。 該圖像放縮儀在9至12 GHz的速度下工作的,帶來了20 dB的增加收益、+33 dBm的飽和最大額定功率和20%的PAE,直流電壓直流電壓為+7V。 內容輸出IP3為+36 dBm(經典值)。 RF I/O為隔直端口號,并匹配好至50Ω,選用便捷。 HMC487LP5(E)不用再線焊,禁止選用外面上貼裝生產加工技能。
|
品牌
|
型號
|
描述
|
貨期
|
庫存
|
|
ADI
|
HMC487LP5E
HMC487LP5ETR
|
2瓦特功率放大器,采用SMT封裝,9 - 12 GHz
|
現貨
|
223
|
HMC487LP5應用
-
點對點無線電
-
點對多點無線電
-
測試設備和傳感器
-
軍事最終用途
HMC487LP5優勢和特點
-
飽和功率: +33 dBm(PAE為20%時)
-
輸出IP3為+36 dBm
-
增益為20 dB
-
+7V、1300 mA電源
-
50 Ω匹配輸入/輸出
-
25 mm2無引腳SMT封裝
HMC487LP5結構圖
