HMC515LP5E/HMC515LP5ETR雙電性硫化鋅管 ADI代現貨交易
披露日子:2019-01-23 09:49:37 搜索:2075
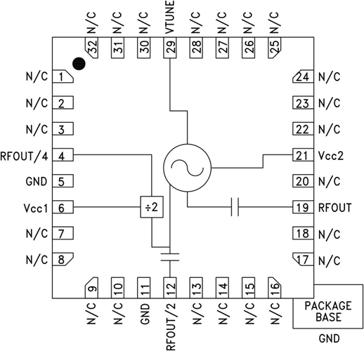
HMC515LP5E就是款GaAs InGaP異質結雙正負極納米線管(HBT) MMIC VCO。 HMC515LP5(E)集成就了諧振器、負電阻器功效器件和變容電子元器件大家庭中的一員-二極管,可打印打印輸入半頻,并保證3分頻打印打印輸入。 伴隨震蕩器器的單集成塊成分,VCO的相位的噪音性在環境溫度、沖洗和生產工藝具體條件下均十分出彩。 用+5V交流電源電流電壓降時,打印打印輸入功效為+10 dBm(典型案例值)。 若不需用,都可以禁止預分頻器基本功能以減少電流電壓電流。 該電流電壓降的控制震蕩器器用無引腳QFN 5x5 mm表貼裝封,不可外部鏈接識別零件。
|
品牌
|
型號
|
貨期
|
|
ADI
|
HMC515LP5E
HMC515LP5ETR
|
1周
|
|
如若您需要購買HMC515LP5E/HMC515LP5ETR,請點擊右側客服聯系我們!!!
|
適用
-
VSAT無線電
-
點對點/多點無線電
-
測試設備和工業控制
優勢和特點
-
雙路輸出: Fo = 11.5 - 12.5 GHz
Fo/2 = 5.75 - 6.25 GHz
-
Pout: +10 dBm
-
相位噪聲: 典型值為-110 dBc/Hz(100 kHz)
-
無需外部諧振器
-
QFN無引腳SMT封裝,25 mm2
設備構造圖
